Як професійне підприємство Durable Micro Switch with Press-Fit and Soldering Tabs із 35-річним досвідом у виробництві комутаторів, Yueqing Tongda Wire Electric Factory зосереджується на «налагодженні відповідно до потреб, технологіях, що забезпечують безпеку», і, зосереджуючись на основних продуктах, таких як Rocker Switches, Red Button Pushes, Micro Switches NO/NC, Push Button NCs, надає індивідуальні рішення комутаторів для різних галузей, включаючи промисловість, розумний дім, медицина та морський сектор. Завдяки технологічним інноваціям і суворому контролю якості він став еталоном у галузі індивідуальних комутаторів.
Вступ до мікроперемикача

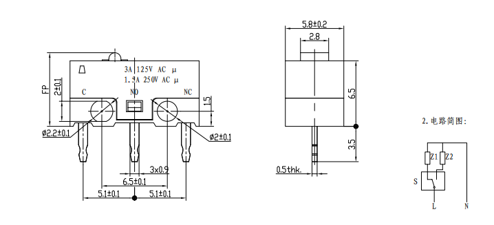
Параметр мікроперемикача (специфікація)
| ПУНКТ | Основні технічні параметри |
| 1 | Електричний рейтинг: 3A 250VAC |
| 2 | Електричний термін служби: мінімум 10000 циклів |
| 3 | Контактний опір: <50 мОм |
| 4 | Робоча сила: 70±20gf |
| 5 | Вільне положення: 7,3±0,2 мм |
| 6 | Робоче положення: 7,0±0,2 мм |
| 7 | Температура навколишнього середовища: T85° |
| 8 | Витримує напругу: між клемою та клемою 500 В/5 С/5 мА; |
| Між клемами і корпусом 1500/5S/5mA | |
| 9 | Опір ізоляції: >100 МОм Випробувальна напруга 500 В постійного струму |
| 10 | Індекс перевірки PTI: 175 В |
Деталі мікроперемикача
