Будучи еталонною моделлю серії мікроперемикачів Yueqing Tongda Cable Power Plant, HK-14 має «високу чутливість, надтривалий термін служби та можливість адаптації до різних сценаріїв» як основні переваги. Завдяки 35-річному досвіду компанії у виробництві комутаторів він став ключовим компонентом керування в побутовій техніці, автомобільній електроніці, промисловій автоматизації та інших сферах завдяки мінімальному зазору між контактами та механізму швидкої дії. Його продуктивність і надійність були сертифіковані багатьма авторитетними організаціями по всьому світу, що забезпечило його основну позицію на нішевому ринку.
Вступ до мікроперемикача
Спрацьовування з точністю до мілісекунд: використовує швидкий механізм миттєвої дії з коротким ходом 0,5-1,6 мм і регульованою робочою силою 0,25-4 Н, що забезпечує швидку реакцію без затримок для ефективного запобігання «помилковим спрацьовуванням». Підходить для високоточних сценаріїв, таких як елементи керування дверцятами мікрохвильової печі та промислові датчики.
Надміцна якість: контакти зі сплаву високої провідності в поєднанні з посиленою структурою забезпечують механічний термін служби понад 1 мільйон циклів і електричний термін служби понад 50 000 циклів. Ідеально підходить для тривалої стабільної роботи в середовищах з високою частотою, таких як автомобільна електроніка та електроінструменти.
Широка адаптованість до навколишнього середовища: працює в широкому діапазоні температур від -25 ℃ до 125 ℃, витримує високочастотні вібрації 10-55 Гц, має опір ізоляції ≥100 МОм і витримує напругу на клемах 1000 В змінного струму. Надійна робота в суворих умовах, таких як вібрація промислових майстерень і високі температури в моторних відсіках автомобілів.
Параметр мікроперемикача (специфікація)
| Технічні характеристики комутатора: | |||
| ПУНКТ | Технічний параметр | Значення | |
| 1 | Електричний рейтинг | 5(2)A/10A/16(3)A/21(8)A 250 В змінного струму | |
| 2 | Контактний опір | ≤30 мОм Початкове значення | |
| 3 | Опір ізоляції | ≥100 МОм (500 В постійного струму) | |
| 4 |
Діелектрик Напруга |
Між непідключені термінали |
1000 В/0,5 мА/60 с |
| Між терміналами і металевий каркас |
3000 В/0,5 мА/60 с | ||
| 5 | Електричне життя | ≥50000 циклів | |
| 6 | Механічне життя | ≥1000000 циклів | |
| 7 | Робоча температура | -25~125 ℃ | |
| 8 | Робоча частота | електричні: 15 циклів Механічні: 60 циклів |
|
| 9 | Захист від вібрації | Частота вібрації: 10~55 Гц; Амплітуда: 1,5 мм; Три напрямки: 1H |
|
| 10 | Можливість паяння: Більше 80% зануреної частини повинні бути покриті припоєм |
Температура пайки: 235±5 ℃ Час занурення: 2~3 с |
|
| 11 | Термостійкість припою | Пайка зануренням: 260±5℃ 5±1S Ручне паяння: 300±5℃ 2~3S |
|
| 12 | Сертифікати безпеки | UL、CSA、VDE、ENEC、TUV、CE、KC、CQC | |
| 13 | Умови тестування | Температура навколишнього середовища: 20±5 ℃ Відносна вологість: 65±5% RH Тиск повітря: 86 ~ 106 КПа |
|
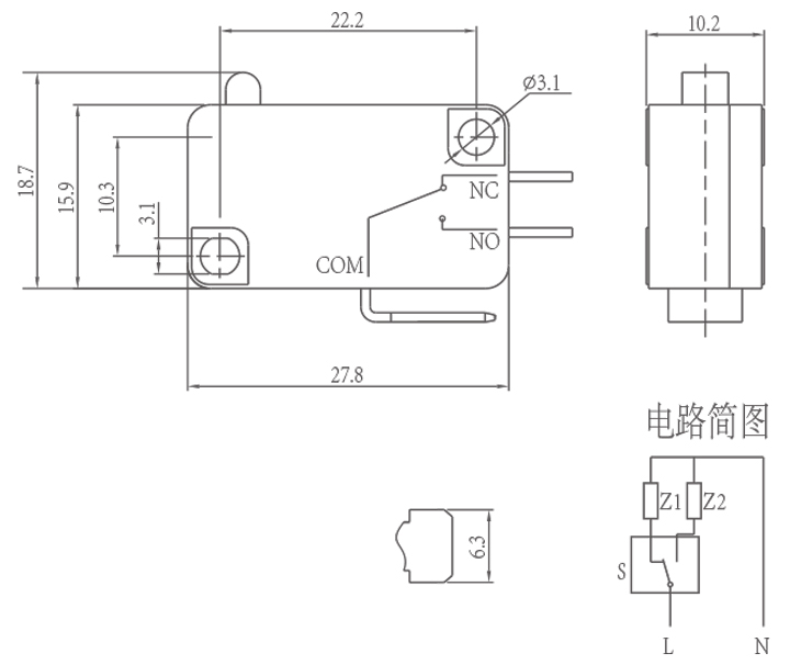
5. Різноманітність контактних клем
Деталі мікроперемикача


