Будучи еталонною моделлю серії мікроперемикачів Yueqing Tongda Wire Electric Factory, нормально відкритий кінцевий перемикач мікрохвильової печі HK-14 має «високу чутливість, надтривалий термін служби та можливість адаптації до кількох сценаріїв» як основні переваги. Завдяки 35-річному досвіду компанії у виробництві комутаторів він став ключовим компонентом керування в побутовій техніці, автомобільній електроніці, промисловій автоматизації та інших сферах завдяки мінімальному зазору між контактами та механізму швидкої дії. Його продуктивність і надійність були сертифіковані багатьма авторитетними організаціями по всьому світу, що забезпечило його основну позицію на нішевому ринку.
Вступ до мікроперемикача
Компанія Yueqing Tongda створила комплексну систему управління якістю, яка охоплює весь процес від «сировини — виробництва — готової продукції». Серія HK-14 проходить 16 основних випробувань від складування сировини до відвантаження готової продукції, включаючи випробування опору контакту, випробування ефективності ізоляції, випробування опору напрузі, випробування циклу високої та низької температури, випробування міцності при пресуванні, випробування соляним туманом, випробування на вібрацію тощо. Для кожної партії продуктів випадковим чином вибирається 3% для руйнівного граничного тестування, щоб забезпечити 100% заводський рівень проходження. Компанія оснащена 20 повністю автоматизованими прецизійними виробничими лініями, а також сучасним міжнародним випробувальним обладнанням (таким як координатно-вимірювальна машина Zeiss з Німеччини та тестер електричних характеристик Fluke із США), щоб забезпечити точність і стабільність роботи продукції.
Типові популярні моделі та сценарії застосування:
HK-14-1X-16A-P-200: нормально відкритий, 16 A 250 В змінного струму, металевий роликовий стрижень приводу — підходить для контролю обмеження ходу на виробничих лініях промислової автоматизації, роликова конструкція зменшує механічний знос
HK-14-1-16AP-715: нормально закритий, 16 A 250 В змінного струму, коротка шарнірна роликова тяга приводу — підходить для точного запуску в медичному тестовому обладнанні, нормально закрита конструкція забезпечує безпеку обладнання при вимкненому стані
HK-14-16AP-605: перехідний тип, 16 A 250 В змінного струму, широкий температурний дизайн — підходить для перемикачів моніторингу температури в акумуляторних батареях нових транспортних засобів, -40°C~125°C широкий температурний діапазон підходить для екстремальних бортових середовищ
HK-14-1X-5A-320: нормально відкритий, 5A 250 В змінного струму, стрижень приводу кнопкового типу — підходить для перемикачів дверей мікрохвильової печі, чутливе натискання, захист високого рівня безпеки
Сценарії застосування
Побутова техніка: управління дверцятами мікрохвильової печі, управління програмами пральної машини, регулювання швидкості вентилятора кондиціонера, забезпечення безпечної роботи обладнання
Промислова автоматизація: позиціонування виробничої лінії, керування межами роботи, керування пуском і зупинкою конвеєра, підвищення ефективності виробництва на 35%
Автомобільна електроніка: підйом вікон автомобіля, регулювання сидінь, датчик багажника, підходить для важких умов у автомобілі
Медичні пристрої: керування хірургічним обладнанням, спрацьовування сигналу приладу виявлення, що відповідає медичним стандартам безпеки
Військова промисловість: управління озброєнням, перемикання пристроїв зв'язку, адаптація до екстремальних умов праці та високих вимог до надійності
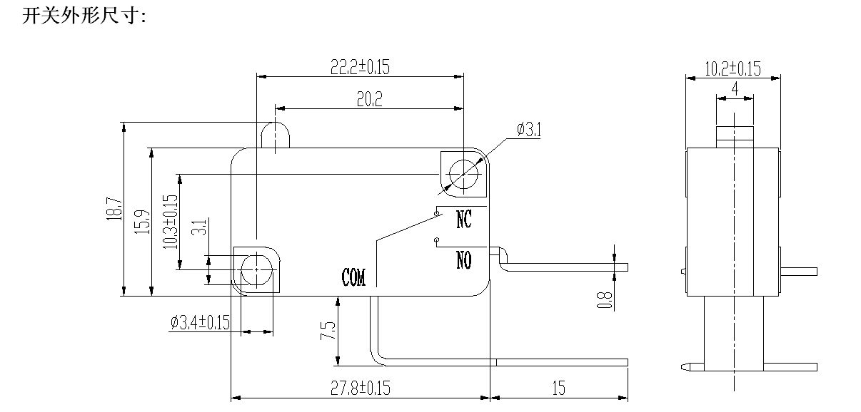
Параметр мікроперемикача (специфікація)
| Технічні характеристики комутатора: | |||
| ПУНКТ | Технічний параметр | Значення | |
| 1 | Електричний рейтинг | 5(2)A/10A/16(3)A/21(8)A 250 В змінного струму | |
| 2 | Контактний опір | ≤30 мОм Початкове значення | |
| 3 | Опір ізоляції | ≥100 МОм (500 В постійного струму) | |
| 4 |
Діелектрик Напруга |
Між непідключені термінали |
1000 В/0,5 мА/60 с |
|
Між терміналами і металевий каркас |
3000 В/0,5 мА/60 с | ||
| 5 | Електричне життя | ≥50000 циклів | |
| 6 | Механічне життя | ≥1000000 циклів | |
| 7 | Робоча температура | -25~125 ℃ | |
| 8 | Робоча частота |
електричні: 15 циклів Механічні: 60 циклів |
|
| 9 | Захист від вібрації |
Частота вібрації: 10~55 Гц; Амплітуда: 1,5 мм; Три напрямки: 1H |
|
| 10 |
Можливість паяння: Більше 80% зануреної частини повинні бути покриті припоєм |
Температура пайки: 235±5 ℃ Час занурення: 2~3 с |
|
| 11 | Термостійкість припою |
Пайка зануренням: 260±5℃ 5±1S Ручне паяння: 300±5℃ 2~3S |
|
| 12 | Сертифікати безпеки | UL、CSA、VDE、ENEC、TUV、CE、KC、CQC | |
| 13 | Умови тестування |
Температура навколишнього середовища: 20±5 ℃ Відносна вологість: 65±5% RH Тиск повітря: 86 ~ 106 КПа |
|
Функція та застосування мікроперемикача
Деталі мікроперемикача

