Являючись еталонною моделлю серії мікроперемикачів Yueqing Tongda Wire Electric Factory, нормально відкритий важільний мікроперемикач електронних компонентів має «високу чутливість, надтривалий термін служби та можливість адаптації до різних сценаріїв» як основні переваги. Завдяки 35-річному досвіду компанії у виробництві комутаторів він став ключовим компонентом керування в побутовій техніці, автомобільній електроніці, промисловій автоматизації та інших сферах завдяки мінімальному зазору між контактами та механізму швидкої дії. Його продуктивність і надійність були сертифіковані багатьма авторитетними організаціями по всьому світу, що забезпечило його основну позицію на нішевому ринку.
Вступ до мікроперемикача
Серія HK-14 пропонує дуже гнучкі можливості налаштування для задоволення різноманітних вимог застосування. Робочу силу можна налаштувати (менше 5,0 Н у стані без важеля, стандарт 30±15 gf), з діапазоном робочого ходу 0,6–1,5 мм, що підходить для різних сценаріїв сили спуску та переміщення. Стилі важелів можна налаштувати, включаючи прямі, зігнуті та роликові важелі, які можуть відповідати різним структурам механічної трансмісії. Контактні форми охоплюють повний спектр SPDT (1NO 1NC), NO та NC.
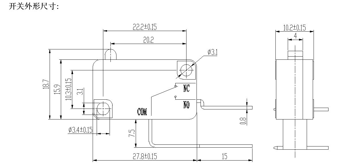
Параметр мікроперемикача (специфікація)
| Технічні характеристики комутатора: | |||
| ПУНКТ | Технічний параметр | Значення | |
| 1 | Електричний рейтинг | 5(2)A/10A/16(3)A/21(8)A 250 В змінного струму | |
| 2 | Контактний опір | ≤30 мОм Початкове значення | |
| 3 | Опір ізоляції | ≥100 МОм (500 В постійного струму) | |
| 4 |
Діелектрик Напруга |
Між непідключені термінали |
1000 В/0,5 мА/60 с |
|
Між терміналами і металевий каркас |
3000 В/0,5 мА/60 с | ||
| 5 | Електричне життя | ≥50000 циклів | |
| 6 | Механічне життя | ≥1000000 циклів | |
| 7 | Робоча температура | -25~125 ℃ | |
| 8 | Робоча частота |
електричні: 15 циклів Механічні: 60 циклів |
|
| 9 | Захист від вібрації |
Частота вібрації: 10~55 Гц; Амплітуда: 1,5 мм; Три напрямки: 1H |
|
| 10 |
Можливість паяння: Більше 80% зануреної частини повинні бути покриті припоєм |
Температура пайки: 235±5 ℃ Час занурення: 2~3 с |
|
| 11 | Термостійкість припою |
Пайка зануренням: 260±5℃ 5±1S Ручне паяння: 300±5℃ 2~3S |
|
| 12 | Сертифікати безпеки | UL、CSA、VDE、ENEC、TUV、CE、KC、CQC | |
| 13 | Умови тестування |
Температура навколишнього середовища: 20±5 ℃ Відносна вологість: 65±5% RH Тиск повітря: 86 ~ 106 КПа |
|
Функція та застосування мікроперемикача
Деталі мікроперемикача
