додому > Продукти > Водонепроникний мікроперемикач > Водонепроникний ультракомпактний мікроперемикач
Водонепроникний ультракомпактний мікроперемикач
  • Водонепроникний ультракомпактний мікроперемикачВодонепроникний ультракомпактний мікроперемикач

Водонепроникний ультракомпактний мікроперемикач

Водонепроникний мікроперемикач Ultra Compact має невеликий інтервал контакту та механізм швидкої дії, а контактний механізм для дії перемикання із зазначеним ходом і силою закритий оболонкою, а зовні є передача, а форма невелика.

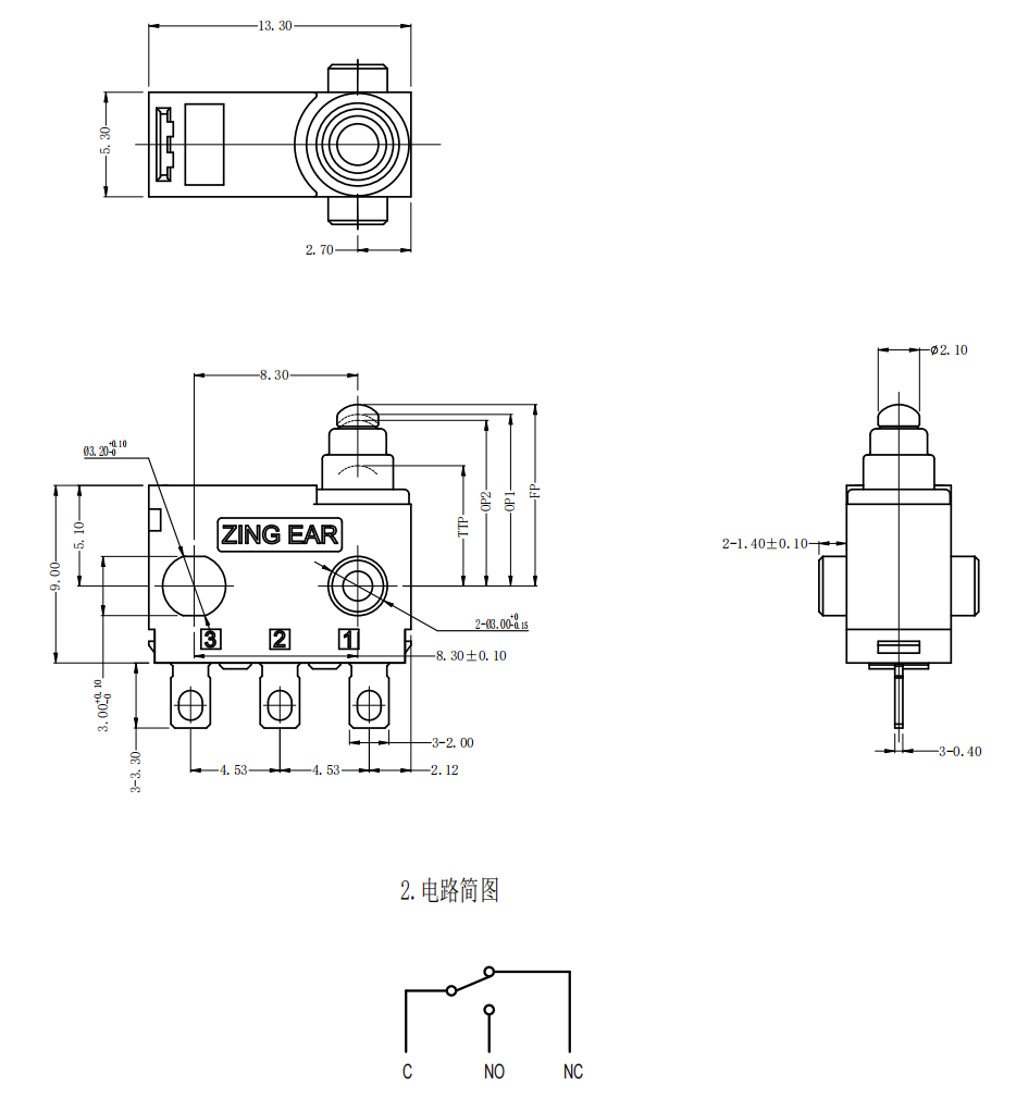
Модель:FSK-20-586

Надіслати запит

Опис продукту

ВЕЙПЕНГ®є провіднимКитай виробництвоrs, додатоквиробники та експортери Waterproof Micro Switch Ultra Compact

Продукт Введеннявироблення 


Цей герметичний водонепроникний мікроперемикач підходить для перемикачів управління в розумних будинках. Він може реалізувати дистанційне керування світлом, шторами, дверними замками тощо.Водонепроникні мікроперемикачі зазвичай розроблені з низьким рівнем шуму. Використовуючи водонепроникний перемикач, уникайте надто великого чи надто малого зусилля.Уникайте надмірної вібрації або зіткнення водонепроникного перемикача.Уникайте використання пошкодженого водонепроникного перемикача, його слід вчасно замінити.Якщо міні-перемикач медичного обладнання несправний або несправний, його слід негайно вимкнути та звернутися за допомогою до спеціаліста з обслуговування.Дотримуйтеся відповідних норм і стандартів з електробезпеки у вашій країні або регіоні.

Цей перекидний перемикач на 30 В має подвійну розмикаючу контактну структуру, технологію швидкого гасіння дуги та функцію захисту від перевантаження, що забезпечує безпечну роботу. Він оснащений пружинним механізмом військового класу та антивібраційною внутрішньою фіксуючою структурою, що робить його надійним за якістю.


тоннаПоширені запитання про фабрику gda




Питання 1.: Чи є у вас сертифікати про вашу фабрику чи продукти?

A1: Звичайно, ми маємо потужну сертифіковану систему, як-от IATF16949, ISO14001, UL, TUV, VDE, Rohs, Reach та пов’язані схвалення.


Q2. Яка ваша політика зразка?

A2: Безкоштовний зразок може бути наданий протягом 3 днів, але експрес-плата повинна бути оплачена клієнтом.


Q3. Які ваші умови пакування?

A3: Як правило, ми пакуємо товари в нейтральні коробки та коричневі картонні коробки або індивідуальні, якщо кількість досягнута.


Q4. Які ваші умови оплати?

A4: Загалом, T/T 30% як депозит і 70% перед доставкою., Якщо сума> 2000USD



ПродуктСпецифікація

Технічні характеристики комутатора:
ПУНКТ Технічний параметр Значення
1 Електричний рейтинг 10 мА 14 В постійного струму/0,1 А 30 В постійного струму
2 Оперативна сила ≤1,5N
6 Електричне життя ≥50000 циклів
7 Механічне життя ≥100000 циклів
8 НІ (Робоча позиція) 8,4±0,3 мм
9 NC (робоча позиція) 8,7±0,3 мм
10 Захист від вібрації Частота вібрації: 10 ~ 55 Гц
Амплітуда: 1,5 мм
Три напрямки: 1H
11 Здатність паяти: більше 80% зануреної частини
повинні бути покриті припоєм
Температура пайки: 235±5 ℃
Час занурення: 2~3 с
12 Термостійкість припою Пайка зануренням: 260±5℃ 5±1S
Ручне паяння: 300±5℃ 2~3S
13 Умови тестування Температура навколишнього середовища: 20±5 ℃
Відносна вологість: 65±5% RH
Тиск повітря: 86 ~ 106 КПа


Деталі продуктуs




Гарячі теги: Водонепроникний ультракомпактний мікроперемикач
Пов'язана категорія
Надіслати запит
Будь ласка, надішліть свій запит у формі нижче. Ми відповімо вам протягом 24 годин.
X
Ми використовуємо файли cookie, щоб запропонувати вам кращий досвід перегляду, аналізувати трафік сайту та персоналізувати вміст. Використовуючи цей сайт, ви погоджуєтеся на використання файлів cookie. Політика конфіденційності
Відхиляти прийняти